
聯系我們
INA LFKL20-SF

- 型號:
- LFKL20-SF
- 品牌:
- INA
- 系列:
- LFKL..-SF
- 起訂量:
- ≥ 1套
- 物流:
- 全國配送

- 電話:

恩梯必專業銷售INA LFKL20-SF,能為客戶提供各種技術服務,軸承選型及型號替代等解決方案,需要LFKL20-SF最新規格、圖紙、報價等資料可聯系我司銷售部!
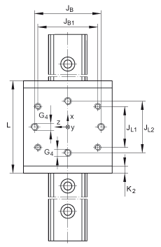
- 尺寸
- H1
- 20.5
- mm
- B
- 56
- mm
- L
- 69
- mm
- G4
- M5
- H
- 滑塊和導軌的總高度: H = 22 mm 對 LFS,-C,-CE,-CEE,-E,-EE,-N,-NZZ
- H2
- 13
- mm
- 公差: +0,3
- H3
- 8.7
- mm
- JB
- 39
- mm
- 公差: +/-0,2
- JB1
- 34
- mm
- JL1
- 34
- mm
- JL2
- 49
- mm
- 公差: +/-0,2
- K2
- 5
- mm
- 重量
- mW
- 200
- g
- 滑塊的質量
- 鎖緊力矩
- MA
- 2.5
- Nm
- 適用于標準設計。 對滾輪的螺栓,向心螺栓的鎖緊力矩應達到 MA。
- MA
- 2.5
- Nm
- 可采用耐腐蝕設計
- 說明
- 基本額定載荷不適用于
- 基本額定載荷
- Cy
- 1350
- N
- y 方向的基本額定動載荷
- C0y
- 870
- N
- y 方向的基本額定靜載荷
- Cz
- 2400
- N
- z 方向的基本額定動載荷
- C0z
- 1700
- N
- z 方向的基本額定靜載荷
- 額定動扭矩
- Mx
- 12
- Nm
- 繞 X 軸的額定動扭矩
- 額定靜扭矩
- M0x
- 7
- Nm
- 繞 X 軸的額定靜扭矩
- 額定動扭矩
- My
- 41
- Nm
- 繞 Y 軸的額定動扭矩
- 額定靜扭矩
- M0y
- 28
- Nm
- 繞 Y 軸的額定靜扭矩
- 額定動扭矩
- Mz
- 24
- Nm
- 繞 Z 軸的額定動扭矩
- 額定靜扭矩
- M0z
- 15
- Nm
- 繞 Z 軸的額定靜扭矩
- 說明
- 訂貨型號: - 耐腐蝕設計: 滑塊:LFCL..-RB 導軌:LFS..-RB 滾輪:LFR..-2RSR-RB - 不帶孔的導軌: LFS..-OL
- 無潤滑嘴,可以通過端孔實現再潤滑
- LFR50/5-4-2Z
- 使用的滾輪 軸的直徑:4 mm 對于替換零件的訂貨,請和我們聯系。
- LFS20
- 基于此導軌的基本額定載荷和額定扭矩的計算
相關型號推薦:
23960-B-K-MB+AH3960G
23964-K-MB+AH3964G
23972-K-MB+AH3972G
23976-K-MB+AH3976G
23980-B-K-MB+AH3980G
23984-K-MB+AH3984G
23988-K-MB+AH3988
23992-B-K-MB+AH3992
23996-B-K-MB+AH3996
239/500-K-MB+AH39/500
239/530-K-MB+AH39/530
239/560-B-K-MB+AH39/560
239/600-B-K-MB+AH39/600
239/630-B-K-MB+AH39/630
239/670-B-K-MB+AH39/670
熱門型號排行榜: FAG 7304B/DF FAG 7302B/DF FAG 7301B/DF FAG 7234B/DF FAG 7232B/DF FAG 7228B/DF FAG 7226B/DF FAG 7224B/DF FAG 7222B/DF FAG 7220B/DF FAG 7219B/DF FAG 7218B/DF
熱門型號排行榜: FAG 7304B/DF FAG 7302B/DF FAG 7301B/DF FAG 7234B/DF FAG 7232B/DF FAG 7228B/DF FAG 7226B/DF FAG 7224B/DF FAG 7222B/DF FAG 7220B/DF FAG 7219B/DF FAG 7218B/DF
FAG軸承型號搜索
FAG-INA軸承產品中心
產品中心
產品搜索
類別目錄
四川恩梯必有限公司 版權所有






